○防府市河川管理施設等の構造の技術的基準を定める条例
平成二十四年十二月二十八日
条例第四十七号
目次
第一章 総則(第一条・第二条)
第二章 堤防(第三条―第十五条)
第三章 床止め(第十六条―第十九条)
第四章 堰(第二十条―第二十九条)
第五章 水門及び樋門(第三十条―第三十七条)
第六章 橋(第三十八条―第四十三条)
第七章 伏せ越し(第四十四条―第四十八条)
第八章 雑則(第四十九条―第五十一条)
附則
第一章 総則
(趣旨)
第一条 この条例は、河川法(昭和三十九年法律第百六十七号。以下「法」という。)第百条第一項において準用する法第十三条第二項の規定に基づき、市の管理する河川管理施設又は法第二十六条第一項の許可を受けて設置される工作物(以下「許可工作物」という。)の構造について河川管理上必要とされる一般的技術的基準を定めるものとする。
一 河川 法第百条第一項の規定に基づき市長が指定した河川をいう。
二 計画高水流量 過去の主要な洪水及びこれらによる災害の発生の状況並びに流域及び災害の発生を防止すべき地域の気象、地形、地質、開発の状況等を総合的に考慮して、市長が定めた高水流量をいう。
三 計画横断形 計画高水流量の流水を流下させ、背水が河川外に流出することを防止し、河川を適正に利用させ、流水の正常な機能を維持し、及び河川環境の整備と保全をするために必要な河川の横断形で、市長が定めたものをいう。
四 流下断面 流水の流下に有効な河川の横断面をいう。
五 計画高水位 計画高水流量及び計画横断形に基づいて、又は流水の貯留を考慮して、市長が定めた高水位をいう。
第二章 堤防
(適用の範囲)
第三条 この章の規定は、流水が河川外に流出することを防止するために設ける堤防について適用する。
(構造の原則)
第四条 堤防は、護岸、水制その他これらに類する施設と一体として、計画高水位以下の水位の流水の通常の作用に対して安全な構造とするものとする。
(材質及び構造)
第五条 堤防は、盛土により築造するものとする。ただし、土地利用の状況その他の特別の事情によりやむを得ないと認められる場合においては、その全部若しくは主要な部分がコンクリート、鋼矢板若しくはこれらに準ずるものによる構造のものとし、又はコンクリート構造若しくはこれに準ずる構造の胸壁を有するものとすることができる。
(高さ)
第六条 堤防の高さは、計画高水位に〇・六メートルを加えた値以上とするものとする。ただし、堤防に隣接する堤内の土地の地盤高(以下「堤内地盤高」という。)が計画高水位より高く、かつ、地形の状況等により治水上の支障がないと認められる区間にあっては、この限りでない。
2 胸壁を有する堤防の胸壁を除いた部分の高さは、計画高水位以上とするものとする。
(天端幅)
第七条 堤防の天端幅は、堤防の高さと堤内地盤高との差が〇・六メートル未満である区間を除き、三メートル以上とするものとする。
(盛土による堤防の法勾配等)
第八条 盛土による堤防(胸壁の部分及び護岸で保護される部分を除く。次項において同じ。)の法勾配は、堤防の高さと堤内地盤高との差が〇・六メートル未満である区間を除き、五十パーセント以下とするものとする。
2 盛土による堤防の法面は、芝等によって覆うものとする。
(護岸)
第九条 流水の作用から堤防を保護するため必要がある場合においては、堤防の表法面に護岸を設けるものとする。
(水制)
第十条 流水の作用から堤防を保護するため、流水の方向を規制し、又は水勢を緩和する必要がある場合においては、適当な箇所に水制を設けるものとする。
(管理用通路)
第十一条 堤防には、次に定めるところにより、河川の管理のための通路(以下「管理用通路」という。)を設けるものとする。ただし、管理用通路に代わるべき適当な通路がある場合、堤防の全部若しくは主要な部分がコンクリート、鋼矢板若しくはこれらに準ずるものによる構造のものである場合又は堤防の高さと堤内地盤高との差が〇・六メートル未満の区間である場合においては、この限りでない。
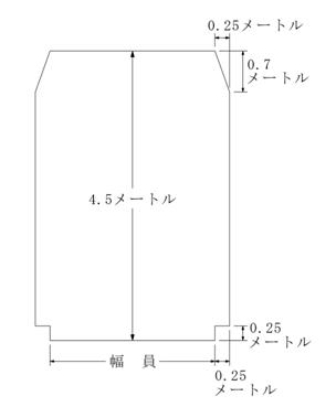
一 幅員は、三メートル以上で堤防の天端幅以下の適切な値とすること。
二 建築限界は、別図第一に示すところによること。
(波浪の影響を著しく受ける堤防に講ずべき措置)
第十二条 二以上の河川の合流する箇所の堤防その他の堤防で波浪の影響を著しく受けるものには、必要に応じ、次に掲げる措置を講ずるものとする。
一 表法面に護岸又は護岸及び波返工を設けること。
二 前面に消波工を設けること。
一 天端及び裏法面をコンクリートその他これに類するもので覆うこと。
二 裏法尻に沿って排水路を設けること。
(背水区間の堤防の高さ及び天端幅の特例)
第十三条 二の河川が合流することにより、その一方が背水を生じることとなる河川(以下この条において「乙河川」という。)、他方が乙河川に背水を生じさせることとなる河川(以下この条において「甲河川」という。)の関係となる場合においては、合流箇所より上流の乙河川の堤防の高さは、第六条第一項の規定により定められる当該合流箇所における甲河川の堤防の高さを下回らないものとするものとする。ただし、堤内地盤高が計画高水位より高く、かつ、地形の状況等により治水上の支障がないと認められる区間及び逆流を防止する施設によって背水が生じないようにすることができる区間にあっては、この限りでない。
第三章 床止め
(構造の原則)
第十六条 床止めは、計画高水位以下の水位の流水の作用に対して安全な構造とするものとする。
2 床止めは、付近の河岸及び河川管理施設の構造に著しい支障を及ぼさない構造とするものとする。
(護床工)
第十七条 床止めを設ける場合において、これを接続する河床の洗掘を防止するため必要があるときは、適当な護床工を設けるものとする。
(護岸)
第十八条 床止めを設ける場合においては、流水の変化に伴う河岸又は堤防の洗掘を防止するため、次に定めるところにより、護岸を設けるものとする。ただし、地質の状況等により河岸又は堤防の洗掘のおそれがない場合その他治水上の支障がないと認められる場合は、この限りでない。
一 床止めに接する河岸又は堤防の護岸は、上流側は床止めの上流端から十メートルの地点又は護床工の上流端から五メートルの地点のうちいずれか上流側の地点から、下流側は水叩きの下流端から十五メートルの地点又は護床工の下流端から五メートルの地点のうちいずれか下流側の地点までの区間以上の区間に設けること。
二 前号に掲げるもののほか、河岸又は堤防の護岸は、湾曲部であることその他河川の状況等により特に必要と認められる区間に設けること。
三 河岸又は堤防の護岸の高さは、計画高水位以上とすること。ただし、床止めの設置に伴い流水が著しく変化することとなる区間にあっては、河岸又は堤防の高さとすること。
(魚道)
第十九条 床止めを設ける場合において、魚類の遡上等を妨げないようにするため必要があるときは、次に定めるところにより、魚道を設けるものとする。
一 床止めに直上流部及び直下流部における通常予想される水位変動に対して魚類の遡上等に支障のないものとすること。
二 床止めに接続する河床の状況、魚道の流量、魚道において対象とする魚種等を適切に考慮したものとすること。
第四章 堰
(構造の原則)
第二十条 堰は、計画高水位以下の水位の流水の作用に対して安全な構造とするものとする。
2 堰は、計画高水位以下の水位の洪水の流下を妨げず、付近の河岸及び河川管理施設の構造に著しい支障を及ぼさず、並びに堰に接続する河床の洗掘の防止について適切に配慮された構造とするものとする。
(流下断面との関係)
第二十一条 可動堰の可動部(流水を流下させるためのゲート及びこれを支持する堰柱に限る。)以外の部分及び固定堰は、流下断面(計画横断形が定められている場合には、当該計画横断形に係る流下断面を含む。以下この条において同じ。)内に設けてはならない。ただし、山間狭窄部であることその他河川の状況、地形の状況等により治水上の支障がないと認められるとき、及び河床の状況により流下断面内に設けることがやむを得ないと認められる場合において、治水上の機能の確保のため適切と認められる措置を講ずるときは、この限りでない。
(可動堰の可動部のゲートの構造)
第二十二条 可動堰の可動部のゲート(バルブを含む。以下この章において同じ。)は、確実に開閉し、かつ、必要な水密性及び耐久性を有する構造とするものとする。
2 可動堰の可動部のゲートの開閉装置は、ゲートの開閉を確実に行うことができる構造とするものとする。
3 可動堰の可動部のゲートは、予想される荷重に対して安全な構造とするものとする。
4 可動堰の可動部が起伏式である場合のゲートの起立時における上端の高さは、計画横断形に係る河床の高さと計画高水位との中間位以下とすること。ただし、ゲートを洪水時においても土砂、竹木その他の流下物によって倒伏が妨げられない構造とするとき、又は治水上の機能の確保のため適切と認められる措置を講ずるときは、ゲートの起立時における上端の高さを堤内地盤高又は計画高水位のうちいずれか低い方の高さ以下とすることができる。
5 可動堰の可動部が起伏式である場合のゲートの直高は、三メートル以下とすること。ただし、ゲートを洪水時においても土砂、竹木その他の流下物によって倒伏が妨げられない構造とするときは、この限りでない。
(可動堰の可動部のゲートに作用する荷重の種類)
第二十三条 可動堰の可動部のゲートに作用する荷重としては、ゲートの自重、貯留水による静水圧の力、貯留水の氷結時における力、地震時におけるゲートの慣性力、地震時における貯留水による動水圧の力及びゲートの開閉によって生ずる力を採用するものとする。
(可動堰の可動部のゲートに作用する荷重の計算等)
第二十四条 前条に掲げる可動堰の可動部のゲートに作用する荷重の計算については、次に定めるところによる。
一 可動堰の可動部のゲートの自重は、可動堰の可動部のゲートの材料の単位体積重量を基礎として計算するものとする。
二 貯留水による静水圧の力は、可動堰の可動部のゲートと貯留水との接触面に対して垂直に作用するものとし、次の式によって計算するものとする。
P=W0h0
備考 この式において、P、及び は、それぞれ次の数値を表すものとする。
P 貯留水による静水圧の力(単位 一平方メートルにつき重量トン)
W0 水の単位体積重量(単位 一立方メートルにつき重量トン)
h0 計画湛水位に風による波浪の影響等を勘案し必要と認められる高さを加えた水位から可動堰の可動部のゲートと貯留水との接触面上の静水圧の力を求めようとする点までの水深(単位 メートル)
三 地震時における可動堰の可動部のゲートの慣性力は、可動堰の可動部のゲートに水平方向に作用するものとし、次の式によって計算するものとする。
I=WKd
備考 この式において、I、W及びKdは、それぞれ次の数値を表すものとする。
I 地震時における可動堰の可動部のゲートの慣性力(単位 一立方メートルにつき重量トン)
W 可動堰の可動部のゲートの自重(単位 一立方メートルにつき重量トン)
Kd 設計震度(〇・一〇)
四 地震時における貯留水による動水圧の力は、可動堰の可動部のゲートと貯留水との接触面に対して垂直に作用するものとし、適切な工学試験又は類似の可動堰の構造計算に用いられた方法に基づき定める場合を除き、次の式によって計算するものとする。
Pd=0.875W0Kd
(H1h1)
備考 この式において、Pd、W0、Kd、H1及びh1は、それぞれ次の数値を表すものとする。
Pd 地震時における貯留水による動水圧の力(単位 一平方メートルにつき重量トン)
W0 水の単位体積重量(単位 一立方メートルにつき重量トン)
Kd 設計震度(〇・一〇)
H1 計画湛水位から基礎地盤までの水深(単位 メートル)
h1 計画湛水位から可動堰の可動部のゲートと貯留水との接触面上の動水圧を求めようとする点までの水深(単位 メートル)
五 前各号に規定するもののほか、必要に応じ、洪水時における動水圧その他のゲートに作用する荷重を計算するものとする。
区分 | 荷重 |
地震時以外の時 | W、P、Pi、P0 |
地震時 | W、P、Pi、I、Pd |
備考 この表において、W、P、Pi、I、Pd及びP0は、それぞれ次の荷重を表すものとする。 W ゲートの自重 P 貯留水による静水圧の力 Pi 貯留水の氷結時における力 I 地震時におけるゲートの慣性力 Pd 地震時における貯留水による動水圧の力 P0 ゲートの開閉によって生ずる力 | |
3 前項の表において採用する荷重により可動堰の可動部のゲートに生ずる応力は、適切な工学試験の結果に基づき定める許容応力を超えてはならないものとする。
(可動堰の可動部のゲートの高さ)
第二十五条 可動堰の可動部の引上げ式ゲートの最大引上げ時における下端の高さは、計画高水位に〇・六メートルを加えた値以上で、当該地点における河川の両岸の堤防(計画横断形が定められている場合において、計画堤防の高さが現状の堤防の高さより低く、かつ、治水上の支障がないと認められるとき、又は計画堤防の高さが現状の堤防の高さより高いときは、計画堤防)の表法肩を結ぶ線の高さを下回らないものとするものとする。
2 可動堰の可動部の起伏式ゲートの倒伏時における上端の高さは、可動堰の基礎部(床版を含む。)の高さ以下とするものとする。
(可動堰の可動部の引上げ式ゲートの高さの特例)
第二十六条 背水区間に設ける可動堰の可動部の引上げ式ゲートの最大引上げ時における下端の高さは、治水上の支障がないと認められるときは、前条第一項の規定にかかわらず、次に掲げる高さのうちいずれか高い方の高さ以上とすることができる。
一 当該河川に背水が生じないとした場合に定めるべき計画高水位に、〇・六メートルを加えた高さ
二 計画高水位
(管理施設)
第二十七条 可動堰には、必要に応じ、管理橋その他の適当な管理施設を設けるものとする。
第五章 水門及び樋門
(構造の原則)
第三十条 水門及び樋門は、計画高水位以下の水位の流水の作用に対して安全な構造とするものとする。
2 水門及び樋門は、計画高水位以下の水位の洪水の流下を妨げず、付近の河岸及び河川管理施設の構造に著しい支障を及ぼさず、並びに水門又は樋門に接続する河床の洗掘の防止について適切に配慮された構造とするものとする。
(構造)
第三十一条 水門及び樋門(ゲート及び管理施設を除く。)は、鉄筋コンクリート構造又はこれに準ずる構造とするものとする。
2 樋門は、堆積土砂等の排除に支障のない構造とするものとする。
(断面形)
第三十二条 河川を横断して設ける水門及び樋門の流水を流下させる部分の断面形は、計画高水流量を勘案して定めるものとする。
2 前項の規定は、河川以外の水路が河川に合流する箇所において当該水路を横断して設ける水門及び樋門について準用する。
2 河川を横断して設ける樋門で二門以上のゲートを有するものの内法幅は、五メートル以上とするものとする。ただし、内法幅が内法高の二倍以上となるときは、この限りでない。
(ゲート等の構造)
第三十四条 水門及び樋門のゲートは、確実に開閉し、かつ、必要な水密性を有する構造とするものとする。
2 水門及び樋門のゲートは、鋼構造又はこれに準ずる構造とするものとする。
3 水門及び樋門のゲートの開閉装置は、ゲートの開閉を確実に行うことができる構造とするものとする。
(水門のゲートの高さ等)
第三十五条 水門のカーテンウォールの上端の高さ又はカーテンウォールを有しない水門のゲートの閉鎖時における上端の高さは、水門に接続する堤防(計画横断形が定められている場合において、計画堤防の高さが現状の堤防の高さより低く、かつ、治水上の支障がないと認められるとき、又は計画堤防の高さが現状の堤防の高さより高いときは、計画堤防)の高さを下回らないものとするものとする。
(管理施設等)
第三十六条 第二十七条の規定は、水門及び樋門について準用する。
2 水門は、次に定めるところにより、管理用通路としての効用を兼ねる構造とするものとする。ただし、管理用通路に代わるべき適当な通路がある場合は、この限りでない。
一 管理橋の幅員は、水門に接続する管理用通路の幅員を考慮した適切な値とすること。
二 管理橋の設計自動車荷重は、二十トンとすること。ただし、管理橋の幅員が三メートル未満の場合は、この限りでない。
第六章 橋
(河川区域内に設ける橋台の構造の原則)
第三十八条 河川区域内に設ける橋台は、計画高水位以下の水位の流水の作用に対して安全な構造とするものとする。
2 河川区域内に設ける橋台は、計画高水位以下の水位の洪水の流下を妨げず、付近の河岸及び河川管理施設の構造に著しい支障を及ぼさず、並びに橋台に接続する河床の洗掘の防止について適切に配慮された構造とするものとする。
(橋台)
第三十九条 背水区間に係る堤防(計画横断形が定められている場合には、計画堤防。以下この条において同じ。)に設ける橋台は、流下断面内に設けてはならない。ただし、山間狭窄部であることその他河川の状況、地形の状況等により治水上の支障がないと認められるときは、この限りでない。
2 堤防に設ける橋台(前項の橋台に該当するものを除く。)は、堤防の表法肩より表側の部分に設けてはならない。
3 堤防に設ける橋台の表側の面は、堤防の法線に平行して設けるものとする。ただし、堤防の構造に著しい支障を及ぼさないために必要な措置を講ずるときは、この限りでない。
4 堤防に設ける橋台の底面は、堤防の地盤に定着させるものとする。
2 橋面(路面、地覆その他流水又は波浪が橋を通じて河川外に流出することを防止するための措置を講じた橋の部分をいう。)の高さは、背水区間においても、橋が横断する堤防(計画横断形が定められている場合において、計画堤防の高さが現状の堤防の高さより低く、かつ、治水上の支障がないと認められるとき、又は計画堤防の高さが現状の堤防の高さより高いときは、計画堤防)の高さ以上とするものとする。
2 前項の規定による場合のほか、橋の下の河岸又は堤防を保護するため必要があるときは、河岸又は堤防をコンクリートその他これに類するもので覆うものとする。
(管理用通路の構造の保全)
第四十二条 橋(取付部を含む。)は、管理用通路の構造に支障を及ぼさない構造とするものとする。
2 前項に規定する管理用通路の構造に支障を及ぼさない橋(取付部を含む。)の構造とは、管理用通路(管理用通路を設けることが計画されている場合は、当該計画されている管理用通路)の構造を考慮して適切な構造の取付通路その他必要な施設を設けた構造とする。ただし、管理用通路に代わるべき適当な通路がある場合は、この限りでない。
第七章 伏せ越し
(適用の範囲)
第四十四条 この章の規定は、用水施設又は排水施設である伏せ越しについて適用する。
(構造の原則)
第四十五条 伏せ越しは、計画高水位以下の水位の流水の作用に対して安全な構造とするものとする。
2 伏せ越しは、計画高水位以下の水位の洪水の流下を妨げず、並びに付近の河岸及び河川管理施設の構造に著しい支障を及ぼさない構造とするものとする。
(構造)
第四十六条 堤防(計画横断形が定められている場合には、計画堤防を含む。以下この項において同じ。)を横断して設ける伏せ越しにあっては、堤防の下に設ける部分とその他の部分とは、構造上分離するものとする。ただし、堤防の地盤の地質、伏せ越しの深さ等を考慮して、堤防の構造に支障を及ぼすおそれがないときは、この限りでない。
2 第三十一条の規定は、伏せ越しの構造について準用する。
(ゲート等)
第四十七条 伏せ越しには、流水が河川外に流出することを防止するため、河川区域内の部分の両端又はこれに代わる適当な箇所に、ゲート(バルブを含む。次項において同じ。)を設けるものとする。ただし、地形の状況により必要がないと認められるときは、この限りでない。
第八章 雑則
(適用除外)
第四十九条 この条例の規定は、次に掲げる河川管理施設又は許可工作物(以下「河川管理施設等」という。)については、適用しない。
一 治水上の機能を早急に向上させる必要がある小区間の河川における応急措置によって設けられる河川管理施設等
二 臨時に設けられる河川管理施設等
三 工事を施行するために仮に設けられる河川管理施設等
(計画高水流量等の決定又は変更があった場合の適用の特例)
第五十条 河川管理施設等が、これに係る工事の着手(許可工作物にあっては、法第二十六条の許可。以下この条において同じ。)があった後における計画高水流量、計画横断形又は計画高水位(以下この条において「計画高水流量等」という。)の決定又は変更によってこの条例の規定に適合しないこととなった場合においては、当該河川管理施設等については、当該計画高水流量等の決定又は変更がなかったものとみなして当該規定を適用する。ただし、工事の着手が当該計画高水流量等の決定又は変更の後である改築(災害復旧又は応急措置として行われるものを除く。)に係る河川管理施設等については、この限りでない。
(小河川の特例)
第五十一条 計画高水流量が一秒間につき百立方メートル未満の小河川に設ける河川管理施設等については、河川管理上の支障があると認められる場合を除き、次に定めるところによることができる。
一 堤防の天端幅は、計画高水位が堤内地盤高より高く、かつ、その差が〇・六メートル未満である区間においては、計画高水流量に応じ、次の表の下欄に掲げる値以上とすること。
計画高水流量(単位 一秒間につき立方メートル) | 天端幅(単位 メートル) |
五十未満 | 二 |
五十以上百未満 | 二・五 |
二 堤防の高さは、計画高水位が堤内地盤高より高く、かつ、その差が〇・六メートル未満である区間においては、計画高水流量が一秒間につき五十立方メートル未満であり、かつ、堤防の天端幅が二・五メートル以上である場合は、計画高水位に〇・三メートルを加えた値以上とすること。
三 堤防に設ける管理用通路は、川幅が十メートル未満である区間においては、幅員は二・五メートル以上とし、建設限界は、別図第二に示すところによること。
附則
(施行期日)
1 この条例は、平成二十五年四月一日から施行する。
別図第一(第十一条関係)

別図第二(第五十一条関係)
